- Технические характеристики и другая информация предоставляются для справки.
- Чертежи и изображения представлены для ознакомления
Подшипник роликовый радиальный NUP 2218-E-TVP 2
Подшипник роликовый радиальный NUP2218-E-TVP2 состоит из внешнего кольца, выполненного в виде вогнутой сферы и имеющего дорожку качения на внутренней части, двух рядов тел качения и сепаратора из штампованной стали (для работы при высоких температурах или общих условий эксплуатации), латуни (для противостояния усиленным вибрациям) или полимерных материалов. Существуют базовые открытые варианты с коническими или цилиндрическими посадочными гнездами (обслуживаемые) и закрытые модели с одним/двумя синтетическими каучуковыми уплотнениями (необслуживаемые), предназначенные для работы при температуре от -40С до +100С. Также производятся детали с утолщенной внутренней обоймой.
В чем преимущества Подшипник роликовый радиальный NUP2218-E-TVP2?
- Отличается повышенной грузоподъемностью и может воспринимать высокие аксиальнонаправленные нагрузки при высоких скоростях вращения оси.
- Самоцентрируется в процессе установки, благодаря чему компенсируются перекосы вала, несоосность и прочие огрехи монтажа.
- Двухрядный ширикоподшипник отвечает стандартам качества ИСО и ГОСТ.
Сегодня вы можете приобрести онлайн по удачной цене Подшипник роликовый радиальный NUP2218-E-TVP2 ГОСТ или его (аналоги ISO) производства FAG, KOYO, NSK, SKF, SNR в нашем магазине!
Технические характеристики
Обозначение : NUP2218-E-TVP2
Размеры, мм : 90x160x40
Производитель : FAG
Диаметр внутренний, мм : 90
Диаметр наружный, мм : 160
Высота, мм : 40
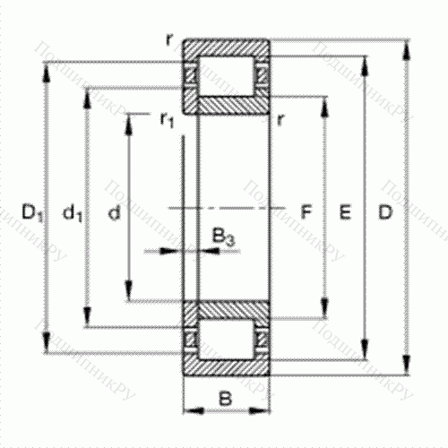
Технические данные из каталога производителя :
d - 90 mm
D - 160 mm
B - 40 mm
B3 - 6 mm
D1 - 139,7 mm
Da max - 149 mm
d1 - 114,3 mm
da min - 101 mm
dc min - 116 mm
E - 145 mm
F - 107 mm
r1 min - 2 mm
ra max - 2 mm
rmin - 2 mm
m - 3,29 kg / Вес
Cr - 285000 N / динамическая грузоподъемность, радиальная
C0r - 315000 N / статическая грузоподъемность, радиальная
nG - 5200 1/min / Предельная частота вращения
nB - 3300 1/min / Базовая тепловая частота вращения
Cur - 55000 N
Основные размеры по DIN 5412-1, фиксированные подшипники, разъемные, с сепаратором
|
Производитель
|
FAG |
|
Ширина B
|
40 |
|
Внешний диаметр D
|
160 |
|
Внутренний диаметр d
|
90 |
|
Размер
|
90x160x40 |
|
Вес, кг
|
3.29 |
|
Модель
|
NUP2218-E-TVP2-FAG |
|
SKU
|
NUP2218-E-TVP2-FAG |
Похожие по размеру
Оформить заказ на нашем сайте легко. Просто добавьте выбранные товары в корзину, а затем перейдите на страницу Корзина, проверьте правильность заказанных позиций и нажмите кнопку «Оформить заказ» или «Быстрый заказ».
Функция «Быстрый заказ» позволяет покупателю не проходить всю процедуру оформления заказа самостоятельно. Вы заполняете форму, и через короткое время вам перезвонит менеджер магазина. Он уточнит все условия заказа, ответит на вопросы, касающиеся качества товара, его особенностей. А также подскажет о вариантах оплаты и доставки.
По результатам звонка, пользователь либо, получив уточнения, самостоятельно оформляет заказ, укомплектовав его необходимыми позициями, либо соглашается на оформление в том виде, в котором есть сейчас. Получает подтверждение на почту или на мобильный телефон и ждёт доставки.
Если вы уверены в выборе, то можете самостоятельно оформить заказ, заполнив по этапам всю форму.
Выберите из списка название вашего региона и населённого пункта. Если вы не нашли свой населённый пункт в списке, выберите значение «Другое местоположение» и впишите название своего населённого пункта в графу «Город». Введите правильный индекс.
В зависимости от места жительства вам предложат варианты доставки. Выберите любой удобный способ.
Оплата
Выберите оптимальный способ оплаты.
Введите данные о себе: ФИО, адрес доставки, номер телефона. В поле «Комментарии к заказу» введите сведения, которые могут пригодиться курьеру, например: подъезды в доме считаются справа налево.
Проверьте правильность ввода информации: позиции заказа, выбор местоположения, данные о покупателе. Нажмите кнопку «Оформить заказ».
Наш сервис запоминает данные о пользователе, информацию о заказе и в следующий раз предложит вам повторить к вводу данные предыдущего заказа. Если условия вам не подходят, выбирайте другие варианты.

